Chi siamo
Scopri chi siamo
Insidetech nasce nel 2021 con l'obiettivo di unire e connettere aziende del territorio con decenni di
esperienza in ricerca e sviluppo, progettazione e realizzazione di prodotti ed impianti
in serie.
Offriamo un servizio completo, dall'analisi dei bisogni del
cliente alla progettazione integrata, costruzione e convalida di prototipo
ed impianti, finendo con assistenza mirata e puntuale durante tutto
il ciclo di vita.
Ci impegniamo a garantire sempre la massima qualità e affidabilità,
facendo sì che ogni progetto soddisfi le aspettative più elevate.
Il focus è realizzare ed implementare impianti o prodotti attraverso
l'utilizzo di sistemi di visione avanzati, intelligenza artificiale, reti neurali
ed applicazioni laser, per migliorare e semplificare i processi e la produzione.
Unendo competenze industriali qualificate siamo in grado di offrire soluzioni
innovative e personalizzate per ogni specifica esigenza:
- Desiderata cliente.
- Ricerca e sviluppo.
- Progettazione meccanica ed elettrico/elettronica.
- Realizzazione prototipi.
- Realizzazione impianti di serie.
- Integrazione e miglioramento impianti esistenti.
Servizi
Scopri cosa facciamo
Ricerca e sviluppo
Ci dedichiamo all'innovazione collaborando con università e centri di ricerca per sviluppare soluzioni avanzate e personalizzate, garantendo tecnologie all'avanguardia per le esigenze dei clienti. Offriamo il nostro know-how nella progettazione meccanica, elettrica ed elettronica, nello sviluppo hardware e software, nei sistemi di visione avanzata e nei sistemi laser, con l'obiettivo di risolvere problemi e migliorare prestazioni, processi, costi e condizioni di lavoro.
Prototipazione
Grazie a una produzione multisettoriale snella e all'uso di sistemi di prototipazione rapida, possiamo realizzare progetti precompetitivi e costruire prototipi funzionali per testare e validare soluzioni con il cliente, assicurando che rispondano alle necessità. Questo approccio accelera il time to market e riduce costi e imprevisti prima della realizzazione dell'impianto finale.
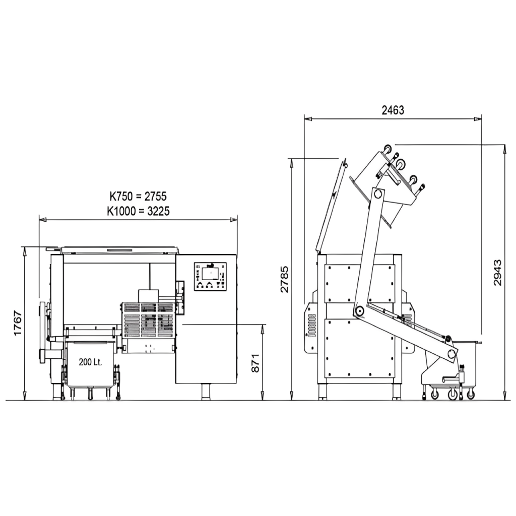
Produzione
La nostra produzione punta su precisione ed efficienza, utilizzando tecnologie avanzate per prodotti di alta qualità, riducendo costi e tempi. Offriamo impianti chiavi in mano e pre-serie per testare nuovi prodotti. Sviluppiamo processi produttivi per migliorare efficienza e innovazione. Realizziamo accessori personalizzati per macchinari esistenti, garantendo integrazione e migliorando la produttività.
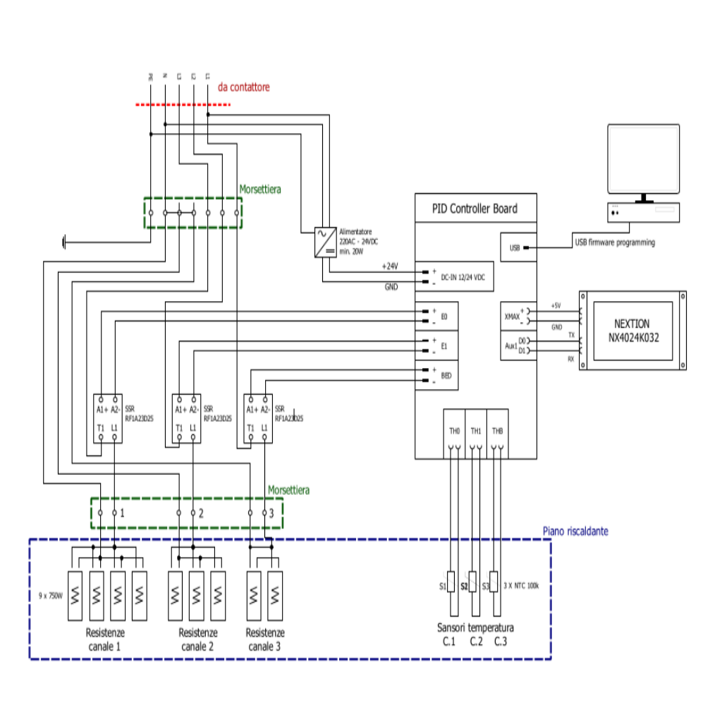
Integrazione nuove tecnologie
Siamo esperti nell'integrazione di tecnologie nuove, come sistemi di visione avanzata, componenti laser, reti neurali e intelligenza artificiale, adattandole alle esigenze dei clienti. Ogni componente è scelto per semplificare e migliorare la produzione. Questo approccio ci consente di realizzare impianti ad hoc, evitando soluzioni ridondanti e costi aggiuntivi. Con la nostra esperienza, assicuriamo che le tecnologie integrate migliorino efficienza, qualità e sostenibilità, offrendo soluzioni personalizzate e ottimizzate.
Missione
Scopri gli obiettivi che raggiungiamo
-
1 Ottimizzazione di costi e velocità
Attraverso l'implementazione di automazione snella e mirata, adattata alle specifiche esigenze del cliente, insieme all'utilizzo avanzato dell'intelligenza artificiale e alla precisione delle tecnologie laser di ultima generazione, siamo in grado di ridurre significativamente i costi di produzione e migliorare notevolmente l'efficienza operativa. Questo approccio integrato ci consente di ottimizzare i processi produttivi, garantendo risultati di alta qualità e tempi di consegna ridotti.
-
2 Migliori condizioni di lavoro
Implementiamo soluzioni innovative che riducono significativamente il carico di lavoro manuale, contribuendo a migliorare la sicurezza ed il benessere dei dipendenti. Grazie alla nostra tecnologia all'avanguardia, siamo in grado di automatizzare processi ripetitivi e fisicamente impegnativi, riducendo il rischio di infortuni e aumentando la soddisfazione e la produttività del personale. Questo approccio non solo favorisce un ambiente di lavoro più sano, ma migliora anche l'efficienza complessiva dell'organizzazione.
-
3 Risparmio sulla manodopera
L'automazione intelligente ottimizza i processi produttivi riducendo al minimo la necessità di intervento manuale. Questo non solo abbassa significativamente i costi operativi e di produzione, ma consente anche di migliorare efficienza e precisione. Siamo in grado di automatizzare compiti complessi e ripetitivi, permettendo al personale di concentrarsi su attività dal maggiore valore aggiunto. I risultati sono: riduzione dei tempi di produzione, maggiore qualità del prodotto finale e una notevole diminuzione dei costi annessi.
-
4 Minori scarti e miglior qualità
Le nostre tecnologie avanzate riducono drasticamente gli errori umani, garantendo una precisione operativa superiore che minimizza gli scarti di produzione. Questo approccio non solo assicura la produzione di articoli di qualità più elevata, ma contribuisce anche a ridurre gli sprechi e i costi associati. Grazie alla nostra innovazione tecnologica, siamo in grado di ottimizzare ogni fase del processo produttivo, garantendo risultati costanti e affidabili. Di conseguenza, i nostri clienti possono beneficiare di prodotti eccellenti, realizzati con maggiore efficienza e sostenibilità.
-
5 Sostenibilità ambientale
Grazie all'intelligenza artificiale e all'adozione di tecnologie avanzate è possibile sostituire le vecchie tecniche di lavorazione con metodi più efficienti ed ecologici. Questo approccio innovativo consente un minor sfruttamento delle risorse ambientali, riduce significativamente gli scarti industriali e contribuisce ad un futuro più sostenibile. L'impiego di queste tecnologie all'avanguardia non solo migliora l'efficienza produttiva, ma supporta anche pratiche di produzione responsabili, riducendo l'impatto ambientale e promuovendo un modello di sviluppo più sostenibile e rispettoso dell'ambiente.
Portfolio
Sopri i settori ed i prodotti in cui abiamo portato innovazione
- Tutti
- Lavorazioni materiali
- Conciario
- Biomedicale
- Universitario
- Automotive
- Stampa 3D
Il gruppo
Scopri chi fa parte del gruppo Insidetech
Clevertek
Progettazione meccanica
Smartek
Progettazione elettrica
Kloner3D
Prototipazione 3D
Università di Firenze
Sistemi di visione ed IA
Pagnini
ProduzioneContatti
Indirizzo:
Ponte Vecchio 2
Firenze, FI, 50125
Email:
Telefono:
+39 055 664396
+39 339 2572762
